57,39 Kč
47,44 Kč
Vozík 3-kladkový pro závěsné brány na profil 60x60 2 kladky ocelové 1 z plastu
produkt nedostupný
přidat do seznamu přání
Popis
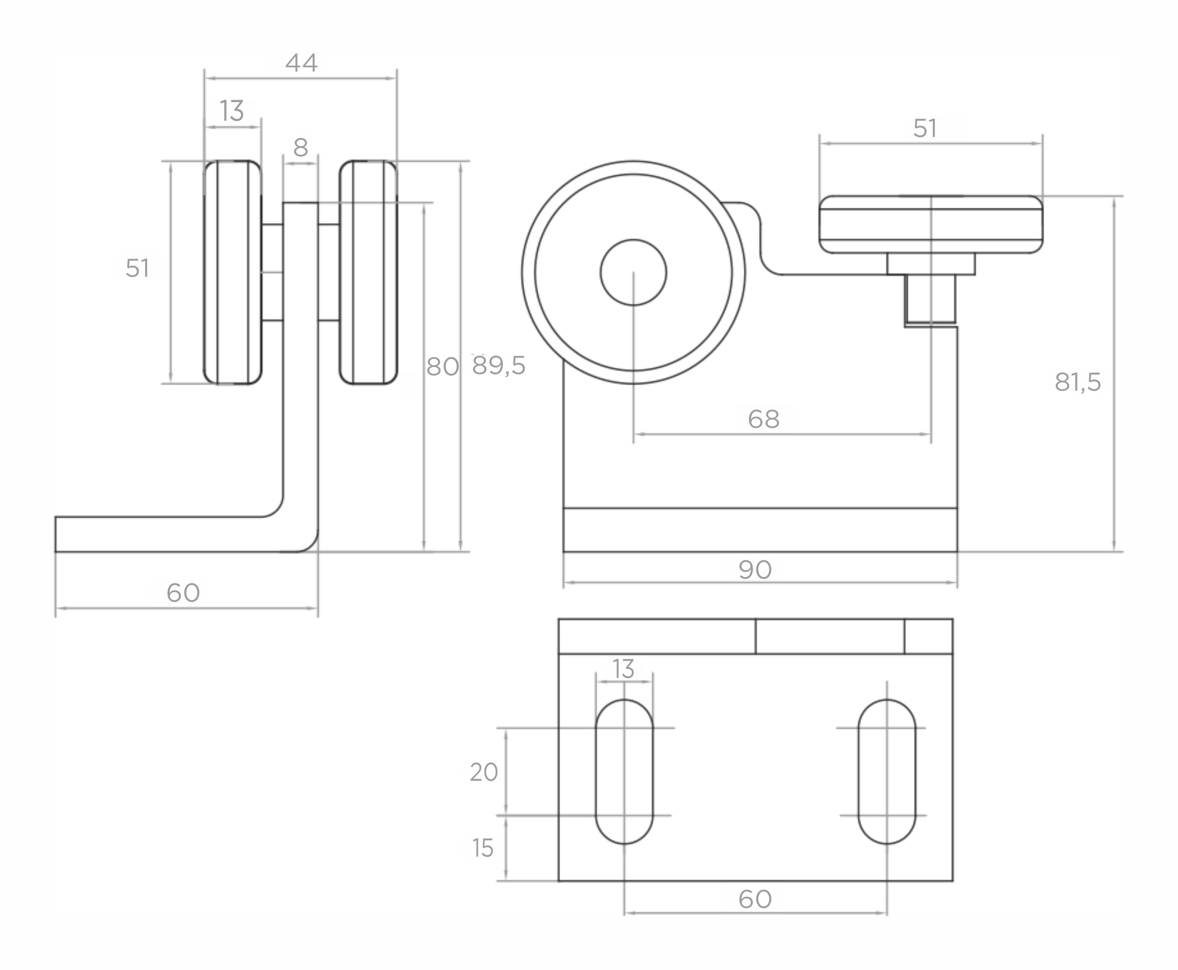
3-kladkový vozík pro závěsné brány – profil 60×60 mm, 200 kg
3-kladkový vozík pro závěsné brány je přesně vyrobený pojezdový prvek určený pro systémy posuvných závěsných bran na profilu 60×60 mm. Je vybaven dvěma ocelovými kladkami a jednou kladkou z plastu, což zajišťuje plynulý a tichý chod vjezdové brány při maximálním zatížení až 200 kg.
Konstrukce vozíku je založena na masivním úhelníku z pozinkované oceli, což zaručuje vysokou odolnost proti korozi a dlouhodobé používání v proměnlivých atmosférických podmínkách. Kladky uložené na kuličkových ložiscích minimalizují odpor při pojezdu, což se projevuje lehkým a bezporuchovým pohybem křídla brány – i při vysokém zatížení.

Konstrukce a princip funkce
Vozík se skládá ze tří kladek o průměru 51 mm – dvě svislé ocelové kladky vedou bránu podél dolní příruby nosného profilu, zatímco třetí plastová kladka, umístěná vodorovně, stabilizuje křídlo brány z boku a eliminuje boční vychýlení a vibrace. Toto uspořádání zajišťuje spolehlivé třínásobné vedení v profilu 60×60 mm.
Montážní základna s drážkovými otvory umožňuje nastavení polohy vozíku vůči křídlu brány, což usnadňuje přesné seřízení při montáži i následné korekce během provozu.

Rozměry a montážní údaje
- Celková výška vozíku: 89,5 mm
- Výška k ose svislých kladek: 80 mm
- Výška k horní hraně vodorovné kladky: 81,5 mm
- Průměr kladek (ocelových i plastových): 51 mm
- Celková šířka svislých kladek: 44 mm
- Šířka jedné kladky: 13 mm
- Rozteč os kladek (svislé – vodorovná): 68 mm
- Tloušťka stěny úhelníku: 8 mm
- Rozměry montážní základny: 90 × 60 mm
- Drážkové otvory: šířka 13 mm, délka 20 mm
- Rozteč montážních otvorů: 60 mm
- Vzdálenost osy otvoru od hrany základny: 15 mm
Provozní parametry
- Maximální zatížení: 200 kg
- Vodící profil: 60×60 mm
- Kladky: 2 ocelové + 1 plastová
- Materiál úhelníku: pozinkovaná ocel
- Ložiskování: kuličková ložiska
- Hmotnost: 1,075 kg
- Objem balení: 810 cm³
- EAN: 5903313204552
Vozík je připraven k okamžité montáži – připevňuje se šrouby přes drážkové otvory v základně přímo ke konstrukci křídla brány. Podlouhlý tvar otvorů umožňuje nastavení polohy v rozsahu několika milimetrů, což je klíčové při vyrovnávání brány po instalaci.
Ładowanie tabeli porównawczej...
Ładowanie galerii...
Technické údaje
| Velikost pojezdové lišty | 60x60x4 |
| Typ produktu | Jednotlivý vozík |
| Konstrukce vozíku | Pevná |
| Max. nosnost [kg] | 200 |
| Materiál koleček | Ocel |
| Počet koleček [szt.] | 3 |
| Typ pojezdového systému | Závěsný systém |
Bezpečnost
Zobrazují se všechny recenze (pozitivní i negativní) podle omezení počtu na platformě. Ověřujeme, zda pocházejí od zákazníků, kteří si produkt zakoupili. Více informací naleznete na naší stránce se zásadami komentování.