57,39 Kč
47,44 Kč
Vozík 3-kladkový pro závěsné brány na profil 50x50 mm, 2 ocelové kladky a 1 z plastu
produkt nedostupný
přidat do seznamu přání
Popis
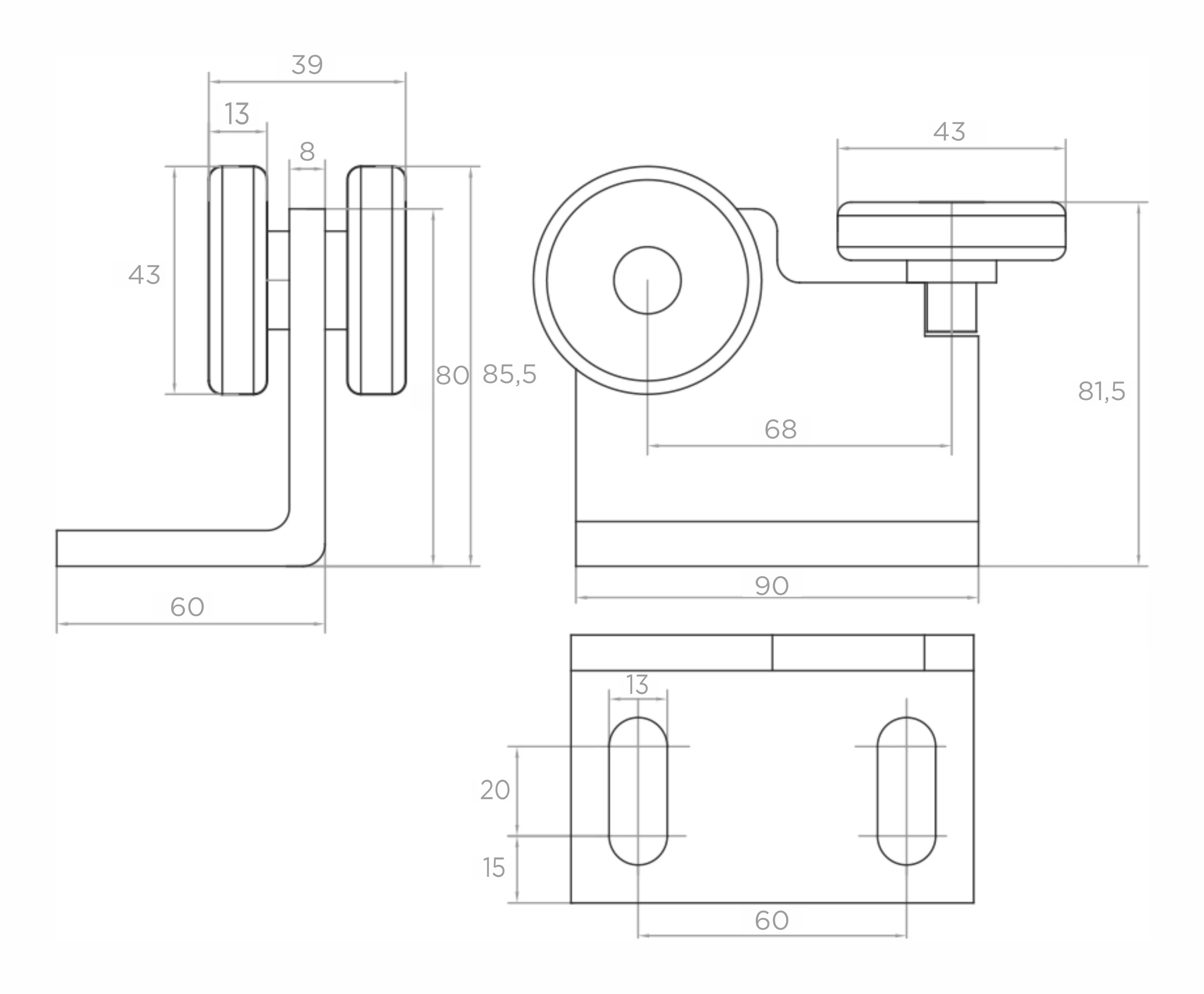
3-kladkový vozík pro závěsné brány – profil 50×50 mm, 150 kg
Přesně vyrobený 3-kladkový vozík určený pro posuvné závěsné brány, kompatibilní s nosným profilem 50×50 mm. Konstrukce se dvěma ocelovými kladkami a jednou kladkou z plastu zajišťuje plynulý a tichý chod vjezdové brány při maximálním zatížení až 150 kg.
Ocelové díly jsou chráněny zinkovou vrstvou, která zaručuje vysokou odolnost proti korozi a dlouhou životnost při proměnlivých povětrnostních podmínkách – jak při intenzivních srážkách, tak v prostředí se zvýšenou vlhkostí. Ložiskované kladky minimalizují valivý odpor, což se projevuje lehkým a bezporuchovým pohybem křídla brány.

Konstrukční vlastnosti
- Typ: 3-kladkový vozík pro závěsné brány
- Kompatibilita: nosný profil 50×50 mm
- Nosné kladky (svislé): 2 kusy – ocelové, ložiskované
- Vodící kladka (vodorovná): 1 kus – z plastu
- Průměr kladek: 43 mm
- Šířka jednotlivé kladky: 13 mm
- Maximální zatížení: 150 kg
- Materiál úhelníku: pozinkovaná ocel
- Tloušťka plechu úhelníku: 8 mm
- Hmotnost: 0,93 kg
- EAN: 5903313205429

Celkové a montážní rozměry
- Celková výška: 85,5 mm
- Výška k ose nosných kladek: 80 mm
- Výška k vodící kladce: 81,5 mm
- Šířka sestavy kladek: 39 mm
- Délka montážní základny: 90 mm
- Šířka montážní základny: 60 mm
- Rozteč os kladek (svislé – vodorovná): 68 mm
- Montážní otvory: 2× oválný (fazolový), šířka 13 mm, délka 20 mm
- Rozteč montážních otvorů: 60 mm
- Vzdálenost otvorů od hrany: 15 mm
Oválné montážní otvory v základně umožňují přesné nastavení polohy vozíku vůči nosné liště, což výrazně usnadňuje vyrovnání brány při instalaci. Robustní 8milimetrový ocelový plech úhelníku zajišťuje tuhost a stabilitu uchycení i při intenzivním provozu.
Ładowanie tabeli porównawczej...
Ładowanie galerii...
Technické údaje
| Velikost pojezdové lišty | 50x50 |
| Typ produktu | Jednotlivý vozík |
| Konstrukce vozíku | Pevná |
| Max. nosnost [kg] | 150 |
| Materiál koleček | Ocel |
| Počet koleček [szt.] | 3 |
| Typ pojezdového systému | Závěsný systém |
Bezpečnost
Zobrazují se všechny recenze (pozitivní i negativní) podle omezení počtu na platformě. Ověřujeme, zda pocházejí od zákazníků, kteří si produkt zakoupili. Více informací naleznete na naší stránce se zásadami komentování.