Středová svorka - Otvor M8 - Hliník 6060 - H8

Dostupnost: Skladem (velké množství)
Doručení do: 5 dní
Hmotnost: 0.025 kg
Cena/ ks: 6,00 Kč 6.00
vč. 21.00% DPH, bez nákladů na dopravu
Cena bez DPH/ ks: (4,94 Kč)
bez 21.00% DPH, bez nákladů na dopravu

discount mark
Ušetřete více peněz s většími balíčky!
Čím větší balení, tím nižší jednotková cena!
discount tip




množství ks

produkt nedostupný

přidat do seznamu přání
* - Pole povinné
Visa Mastercard Google Pay Apple Pay PayPal Bank Transfer
Hodnocení: 5
Prodejce: Synerga
Kód produktu: PV-04-03

Popis

Středová svorka - Otvor M8 - Hliník 6060 - H8

Dostupné velikosti
Dostupné materiály

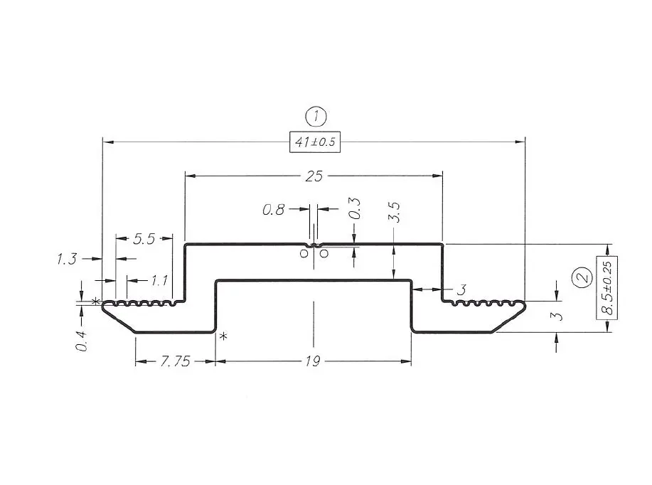
Tlaková svorka z hliníku 6060, 8 mm, otvor pro šroub M8 pro fotovoltaické moduly.

Tlaková svorka nebo středová svorka je montážní prvek pro fotovoltaické instalace a slouží k upevnění fotovoltaického panelu k hliníkovému konstrukčnímu profilu. Používá se k montáži fotovoltaických panelů na ploché i šikmé střechy.

Je vyrobena z vysoce kvalitního hliníku 6060, a je proto vysoce odolná proti povětrnostním vlivům. Kvalitní zpracování zaručuje trvalé upevnění konstrukce fotovoltaického panelu.

Nabízené svorky mají z estetických důvodů černý eloxovaný povrch. Eloxování také zlepšuje trvanlivost součásti a zvyšuje její odolnost vůči vlivům prostředí.

Tato svorka má omezené použití. Šroub DIN 912 pro středovou svorku H8 bude o 15 mm delší než šroub svorky zvolený v návrhu s výjimkou bloků svorek H-35 a H-40, pro tyto svorky musí být zvolena středová svorka H24.

Tato svorka je univerzální. Informace o velikostech šroubů naleznete Klikněte sem - Informace o svorkách - Tabulka velikostí šroubů (DIN 912).

Tlaková svorka je kompatibilní s následujícími montážními profily:

  • Hliníkové profily pro šestihranné šrouby.
  • Hliníkové profily pro T-šrouby.
  • Trapézové profily pro střechy z trapézového plechu.

Specifikace

  • Materiál: Hliník 6060
  • Montážní profil: Otvor pro šroub M8
  • Délka: 50 mm

Dostupné velikosti

Druh
Tloušťka panelu
 
H-24
30-40 mm
next arrow image
H-8
30-32 mm
next arrow image

Dostupné materiály

Materiál
 
ALU
next arrow image
 
Eloxovaný hliník
next arrow image
 

Vlastnosti hliníku 6060

  • Odolnost vůči korozi a vnějším vlivům.
  • Dobrá mechanická odolnost, odolnost proti nárazu.
  • Vhodné pro eloxování, které poskytuje dodatečnou ochranu a dekorativní povrchovou úpravu.

Technické údaje

Typ svorky Střední
Tloušťka panelu [mm] 30-45
Barva Stříbrná
Zemnící kolík Ne
Příslušenství Bez příslušenství

Bezpečnost

Zobrazují se všechny recenze (pozitivní i negativní) podle omezení počtu na platformě. Ověřujeme, zda pocházejí od zákazníků, kteří si produkt zakoupili. Více informací naleznete na naší stránce se zásadami komentování.

Související produkty

nahoru
×

VAT ID not verified in VIES!

Zobrazit plnou verzi webu
Sklep internetowy Shoper.pl