57,39 Kč
47,44 Kč
Pojezdný vozík pro hliníkový profil 5-kladkový s plastovými kladkami
produkt nedostupný
přidat do seznamu přání
Popis
Pojezdový vozík 5-kladkový pro samonosné brány – nylonové kladky, 600 kg
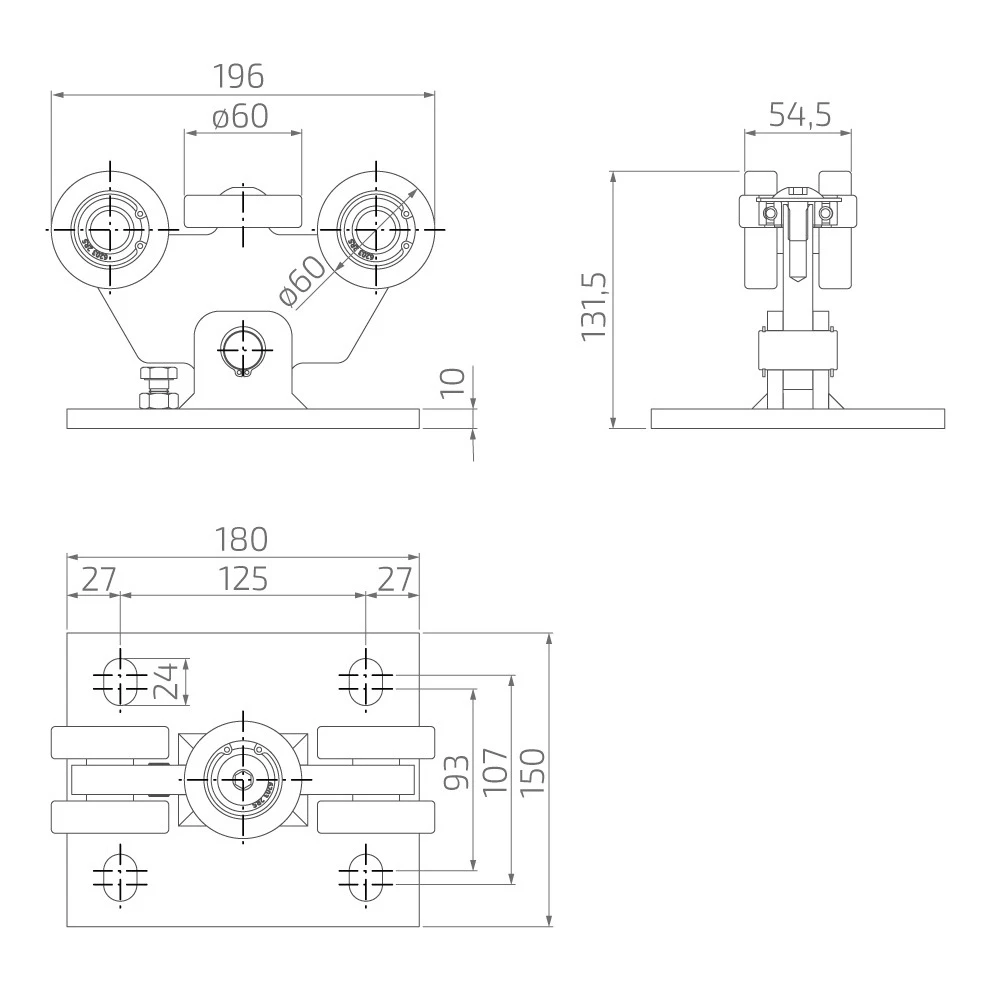
Pojezdový vozík s 5 kladkami je klíčovým prvkem systému samonosných (konzolových) bran, který zajišťuje plynulý a stabilní pohyb křídla brány. Pět kladek vyrobených z nylonu v kombinaci s monoblokovým tělem z pozinkované oceli zajišťuje tichý chod, minimální tření a vysokou nosnost až 600 kg. Toto řešení je určeno jak pro brány v soukromých objektech, tak v průmyslových provozech — všude tam, kde záleží na spolehlivosti a trvanlivosti mechanismu.


Monobloková konstrukce pro maximální pevnost
Tělo vozíku je vyrobeno monoblokovou technologií — z jednoho ocelového odlitku, což eliminuje slabá místa svarů a zvyšuje tuhost celé konstrukce. Vrstva zinku nanesená na ocel vytváří účinnou protikorozní bariéru, díky níž si vozík zachovává plnou funkčnost i v náročných venkovních podmínkách — při vysoké vlhkosti, srážkách nebo výkyvech teploty. Pro montážní týmy to znamená méně reklamací a delší bezporuchový provoz brány u koncového zákazníka.
Nylonové kladky — tichý chod a nízké opotřebení
Pět kladek o průměru ø60 mm vyrobených z odolného nylonu zajišťuje výrazné snížení hluku ve srovnání s kovovými kladkami. Nylon minimalizuje tření, což se projevuje nižším zatížením pohonu brány a menší spotřebou energie. Kladky jsou uloženy na kuličkových ložiscích, která jsou provozními díly — vyžadují pravidelnou kontrolu a údržbu, zároveň však umožňují snadnou výměnu bez nutnosti demontáže celého vozíku.

Rozměry a technické parametry
- Nosnost: 600 kg
- Počet kladek: 5 (nylonové)
- Průměr kladek: ø60 mm
- Celková výška: 131,5 mm
- Celková délka (po krajní kladky): 196 mm
- Šířka po vnějších hranách kladek: 54,5 mm
- Rozměry montážní základny: 180 × 150 mm
- Tloušťka základny: 10 mm
- Rozteč montážních otvorů (podélně): 125 mm
- Rozteč montážních otvorů (příčně): 107 mm
- Montážní otvory: podlouhlé (drážky) o délce 24 mm
- Materiál těla: pozinkovaná ocel
- Materiál kladek: nylon
- Typ brány: posuvná samonosná (konzolová)
- Hmotnost: 4,5 kg
- EAN: 8028390963189
Provozní díly a údržba
Nejvíce namáhanými díly jsou pohyblivé součásti — ložiska a nylonové kladky. Pro zachování optimální funkce systému se doporučuje jejich pravidelná vizuální kontrola a mazání ložisek. Pravidelná údržba pomáhá předcházet nákladným opravám a zajišťuje dlouholetý bezporuchový provoz brány. Podlouhlé montážní otvory (drážky) v základně umožňují přesné nastavení polohy vozíku při instalaci, což urychluje montáž a usnadňuje dosažení ideálního nastavení pojezdové lišty.
Ładowanie tabeli porównawczej...
Ładowanie galerii...
Technické údaje
| Velikost pojezdové lišty | 60x60x4 |
| Typ produktu | Jednotlivý vozík |
| Konstrukce vozíku | Pevná |
| Max. nosnost [kg] | 600 |
| Materiál koleček | Nylon |
| Počet koleček [szt.] | 5 |
| Typ pojezdového systému | Pojezdový systém |
Bezpečnost
Zobrazují se všechny recenze (pozitivní i negativní) podle omezení počtu na platformě. Ověřujeme, zda pocházejí od zákazníků, kteří si produkt zakoupili. Více informací naleznete na naší stránce se zásadami komentování.